本文涉及電腦周邊設備技術領域,特指一種可自動控製的電腦散熱風扇,由外界溫度變化來控製風扇的工作。
背景技術:
隨著科學技術的發展,電腦被廣泛應用於家庭生活及商業運作中,而且,隨著電腦技術的不斷創新,它對工作溫度的要求越來越高。
電腦機箱上一般都安裝有CPU、硬盤、光驅、刻錄機等設備,每一個設備工作時都會散發出大量的熱量,從而使機箱內部的溫度遠大於室溫,影響電腦的工作;在夏季,室溫過高也會影響電腦內部設備的工作。現有的機箱散熱風扇,可以及時排出電腦內部的熱量,但是它也有不足的地方,例如一開機的時候散熱風扇就開始工作,增加了電腦的功耗,同時,散熱風扇不停地工作,也在不停的製造噪音,使用者不清楚機箱內部是否需要降溫。

實用新型內容:
本文的目的是針對現有技術的不足而提供一種可自動控製的電腦散熱風扇,當外界溫度大於設定值時,散熱風扇自動啟動,且能夠顯示溫度值。
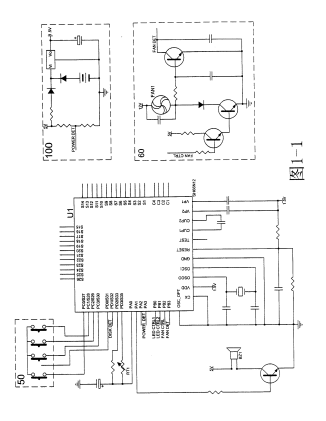
為達到上述目的,本文采用如下技術方案:它包括有散熱風扇,散熱風扇通過風扇控製電路連接主控芯片,主控芯片連接有程序控製器,主控芯片還連接有溫度探頭及多數個按鍵開關,溫度探頭置於機箱內部,通過對程序控製器的調節及對數值的預先設定,當溫度探頭的溫度等於或大於設定值時,主控芯片控製散熱風扇啟動,實現自動控製。
主控芯片連接有LCD顯示屏,LCD顯示屏用於顯示溫度、風扇、硬盤、時間等信息。
主控芯片連接有蜂鳴器,當溫度過高時,蜂鳴器報警。主控芯片連接有LED指示電路,當溫度過高時,LED 指示電路報警。
可主控芯片連接有硬盤指示電路。
本文首先需對程序控製器進行數值的預先設定,並將溫度探頭置於機箱內相應的位置,當溫度探頭的溫度超過設定值時,主控芯片控製散熱風扇啟動,實現自動控製,溫度、風扇、時間、硬盤工作等信息可顯示於LCD顯示屏上,非常直觀。本文具有操作簡單、使用效果較佳等特點。